Battery Level Indicator circuit with LM3915 Circuit Diagram Step 3: Circuit Design. The core of this battery level marker circuit is LM3914 IC. This IC takes analog voltage as input and drives 10 LED's directly as per the level of alternating voltage. In this circuit, there is no need for resistors in arrangement with LEDs because the current is directed by the IC itself. The circuit take the input voltage from the battery that is connected and tests the level of voltage left in the battery through the use of diodes and an integrated chip. The circuit works to show you the remaining battery capacity by the use of the LED's. Each LED represents 10 % of the total battery. The Circuit is designed around the LM3914

The calibration for this Arduino 6 LED battery level indicator circuit must be done carefully, if you did not calibrate correctly, the circuit will show incorrect voltage level of the battery. I will design a circuit for you, if you want me to proceed with your requirements. Regards. Reply. GR says. May 9, 2017 at 12:25 pm. Hi faizan, Working Principle of the Battery Level Indicator Circuit. The battery level indicator circuit works on the principle of measuring the voltage drop across a series of resistors connected in a voltage divider configuration. This voltage drop is then compared to a reference voltage to determine the battery level. The circuit consists of a battery

Simple Battery Voltage Monitor Circuits Circuit Diagram
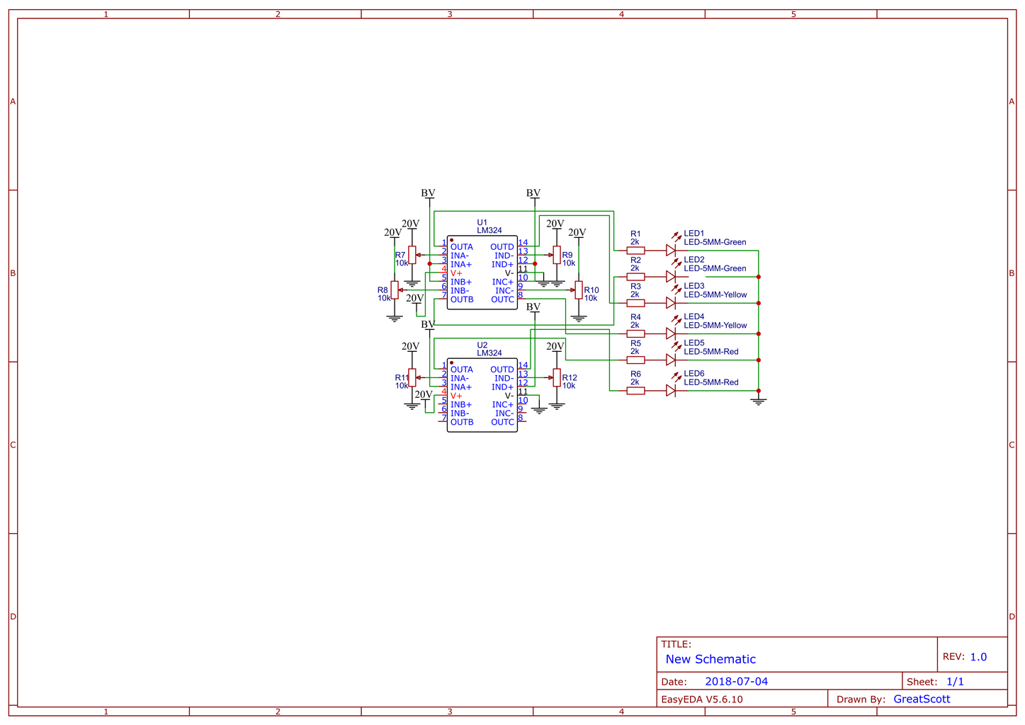
In this project, we will design and build a 12V battery level indicator with the help of a quad comparator OPAMP based IC LM324 which lets us use 4 OPAMP based comparators on a single chip. We will measure the voltage of the battery and compare it against the prespecified voltage using the LM324 IC and drive the LEDs to display the output we get.

Now our battery level indicator circuit is ready.Now match circuit according to the circuit diagram and. Give input power supply to the circuit. NOTE:We can give maximum 15V DC power supply to this circuit. As in picture when I give above 13V DC input then all 5-LEDs is glowing.

How to Make a Battery Level Indicator : 9 Steps Circuit Diagram
In this project, I will show you how to design a simple Battery Level Indicator Circuit using easily available components. Battery level indicator indicates the status of the battery just by glowing LED's. For example six LED's are glowing means battery capacity 60% remains. This article explains you how design battery level indicator. 1. basically its a battery voltage detector cum indicator circuit. 2. the output from a transformer is 6V, 12V, 24V resp., depending on the supplied input. O/p is A.C. 3. by converting it into D.C. I've to design a circuit which will detect and indicate the voltage o/p by colored LED lamps. Such as, Blue LED - 6V Green LED - 12V Red LED - 24V 4.

This circuit mainly focuses on lead-acid battery life. In this circuit design, we limit the maximum charging voltage to 13.8V as per the instructions from lead-acid battery manufacturers. 12v Led Battery Level Indicator Circuit (Led Bar Graph) As lead-acid batteries require constant voltage charging, the inverters aren't sufficient for In this project I will show you how we can use the classic LM3914 IC to create an LED Battery Level Indicator. Along the way I will show you how the IC works and explain why it is not the most precise circuit for a Li-Ion battery pack. And at the end I will show you how I created my own, more precise Battery Level Indicator circuit with a